
|
|

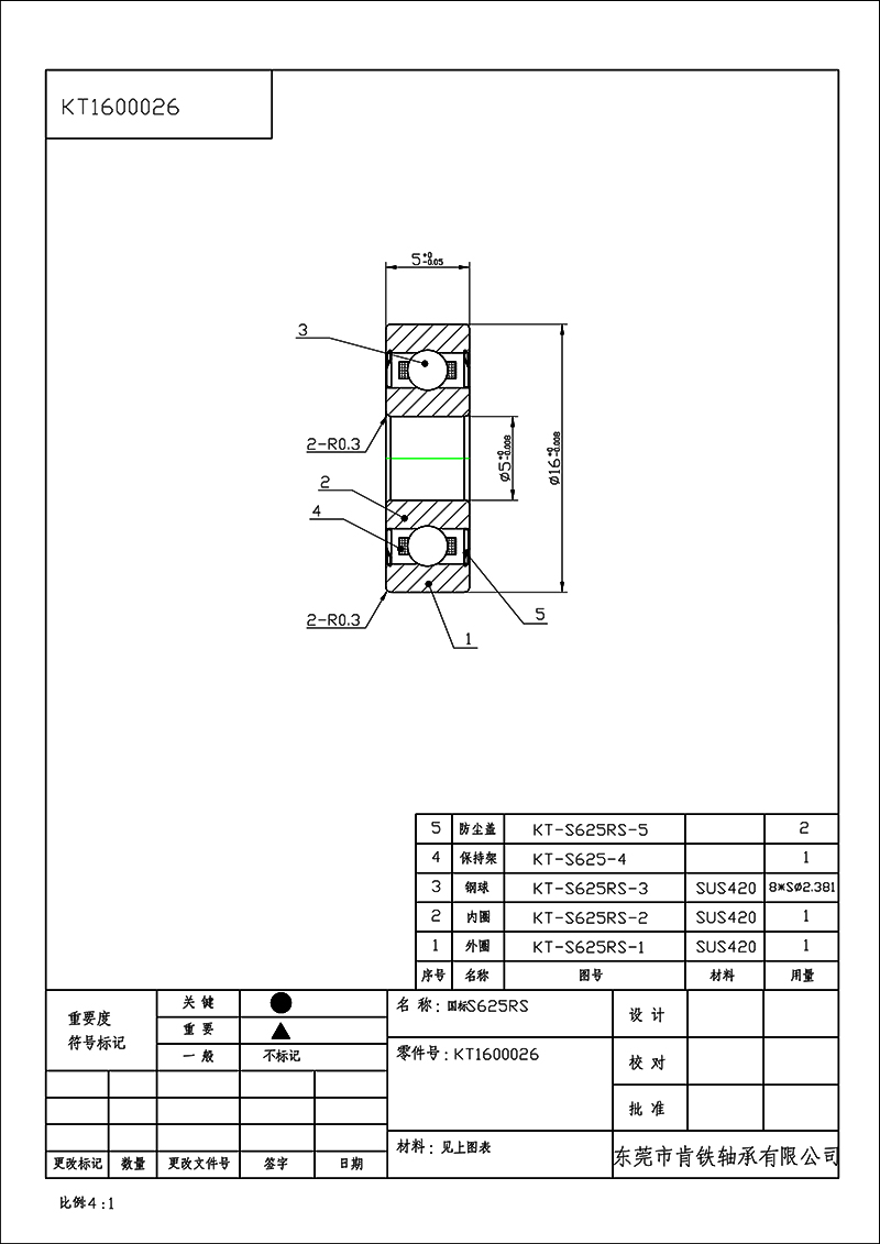
应用领域:深沟球轴承可用于变速箱、仪器仪表、电机、家用电器、内燃机、交通车辆、农业机械、建筑机械、工程机械、滚轴式轮滑鞋、悠悠球等。
东莞市肯铁轴承有限公司,20多年不锈钢轴承生产厂家,现货批发,OEM,ODM,欢迎来电咨询。
肯铁轴承技术服务热线:13392733900 段生 (微信同号)













扫一扫微信咨询
版权所有 ©1998-2026 东莞市肯铁轴承有限公司 粤ICP备16121103号
工厂地址:中国广东东莞市谢岗镇华泰科技园
电话:0769-22209718 传真:0769-87788508
E-mail:
bearings@dgktbearing.com
技术支持:
东莞网站建设